Sign In | Join Free | My insurersguide.com
China WD Bearing Group logo
WD Bearing Group
WD Bearing Group Quality Creates Value
Active Member

14 Years

Home > Spherical Roller Bearings >

Symmetrical Thrust Spherical roller bearing design 9069448

WD Bearing Group
Contact Now

Symmetrical Thrust Spherical roller bearing design 9069448

Place of Origin : China

Brand Name : WD

Certification : ISO9001, ISO14001

Packaging Details : industrial packing or individual packing

Delivery Time : 45-75 days

Payment Terms : T/T or L/c

Supply Ability : 30 million USD/year

Contact Now

Symmetrical Thrust Spherical roller bearing design 9069448

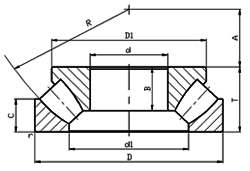
Spherical roller bearings, designed to apply for heavy loading capacity, can compensate for shaft deformation and non-centered error with symmetrical doulbe row spherical rollers self-aligning in the groove of the outer ring.

d 240
D 440
T 122
d1 318
D1 402
B 44
C 56.9
A 142
r 6
Designations 9069448
Cr 1890
Cor 5000
Grease  
Oil 630
Weight 83


Product Tags:

Spherical Bearing

      

roller ball bearings

      
Cheap Symmetrical Thrust Spherical roller bearing design 9069448 for sale

Symmetrical Thrust Spherical roller bearing design 9069448 Images

Inquiry Cart 0
Send your message to this supplier
 
*From:
*To: WD Bearing Group
*Subject:
*Message:
Characters Remaining: (0/3000)