Sign In | Join Free | My insurersguide.com
China WD Bearing Group logo
WD Bearing Group
WD Bearing Group Quality Creates Value
Active Member

14 Years

Home > Bearings for Material Handling System >

Bearings for Material Handling System: Adjustable Combined Bearings AWD078-108

WD Bearing Group
Contact Now

Bearings for Material Handling System: Adjustable Combined Bearings AWD078-108

Place of Origin : China

Brand Name : WD

Certification : ISO9001, ISO14001

Packaging Details : industrial packing or individual packing

Delivery Time : 45-75 days

Payment Terms : T/T or L/c

Supply Ability : 30 million USD/year

Contact Now

Bearings for Material Handling System
Bearings for Material Handling System Track roller bearings can withdraw heavy load rating and shock load rating by their thick outer race. They are ready-to-fit units and are intended for all types of cam drives, tracks, conveyors, material handling systems and so on.
According to customer's application, the OD surface can be designed to be flat , crowned and other special ones. Cam rollers with crowned runner surfaces should always be used where angular misalignments with respect to the track expected and edge stresses kept to a minimum.
Track roller bearings are based on ball bearings, needle roller bearings as well as cylindrical roller bearings. Because of the wide variety of designs they are suitable for the most diverse operating conditions.
Tolerances:
WD track roller bearings are produced according to Normal tolerance P0 standard, except for the tolerance of the crowned runner surface diameter.The values for tolerances tally with ISO 492.
Clearance?
C2, C0, C3, C4, C5 radial internal clearance are available and also special radial internal clearance is available as customer's application providing the clearance limits are as specified in ISO 5753.
Load rating?
Dynamic load rating conform to ISO281/1 and static load rating conform to ISO76.
Lubrication ?
The track roller bearings, filled with lithium grease, have a good anti-rust capability and can work among the temperature range from-30?to+120?. Generally speaking, they are greased for life and are maintenance-free under normal working condition. However, if they are subjected to moisture or solid contaminants, or if they keep runing for a long periods under temperatures above 70?, they should be relubricated with same grease by the oil hole in the inner race or other lubrication method. High and low temperature grease are also available according to customer's request.
The WD track roller bearings consist of:
? Combined bearings
? Cam followers
? Mast rollers and chain pulleys
? Cam roller bearings
? Supporting rollers
? Other non-standard rollers

WD Combined Bearings are particularly suitable for truck lift columns and all other shifting and convying systems requiring profiles.They can afford load from both axial and radial direction at the same time.With the optimzed structure, the mount space can be saved, and the usage is also simple that just to weld the pivot in the mount plate, it is not necessary to dismantle the whole set. The radial bearings are particularly suitable for automation and shift systems, which do not require heavy axial loads, and they come from the combined bearings and maintain the same features of construction.
WD Bearing Group can provide series of Combined Bearings :
Standard Combined Bearings
Adjustable Combined Bearings
Combined Bearings for "I" Standard Profiles
Adjustable Combined Bearings for Heavy Industry
JUMBO Combined Bearing
Adjustable Combined Bearings with Eccentric Pin
High Speed combined Bearings
Adjustable Combined Bearings with screw
Adjustable Combined Bearings with Plastic Axial Roller
Adjustable Combined Bearings for Steel Industry
Standard Radial Bearings
Precision Radial Bearings


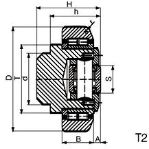
Bearing Code AWD078-108
dmm 60
Tmm 71
Dmm 107.7
Hmm 73
hmm 59
Bmm 31
Amm 8
Smm 33
rmm 5
CKN 81
CoKN 95
CaKN 31
CoaKN 36
OD on requestmm 108.2/108.5
   
Reference index 4.078
4.0078/L
MR.142

































Product Tags:

mast rollers

      

roller ball bearings

      
Cheap Bearings for Material Handling System: Adjustable Combined Bearings AWD078-108 for sale

Bearings for Material Handling System: Adjustable Combined Bearings AWD078-108 Images

Inquiry Cart 0
Send your message to this supplier
 
*From:
*To: WD Bearing Group
*Subject:
*Message:
Characters Remaining: (0/3000)